LT03-2000P LT03-2000N LT04-2000P LT04-2000N LT06-2000P LT06-2000N LT08-2000P LT08-2000N

光电传感器
LT03-2000P LT03-2000N LT04-2000P LT04-2000N LT06-2000P LT06-2000N LT08-2000P LT08-2000N
LT迷你型对射激光传感器

最大检测距离:20m

激光头直径:m3 m4 m6 m8

光斑尺寸:约03mm(距离1米时)

重复精度:<5%




光电传感器
迷你型激光LT系列
规格参数
型号PNP输出LT03-2000PLT04-2000PLT06-2000PLT08-2000P 
NPN输出 LT03-2000N  LT04-2000N  LT06-2000N LT08-2000N
检测方式对射
最大检测距离20m
激光头直径m3m4m6m8
光斑尺寸约03mm(距离1米时)
标准检测物体
白色标准平面
重复精度<5%
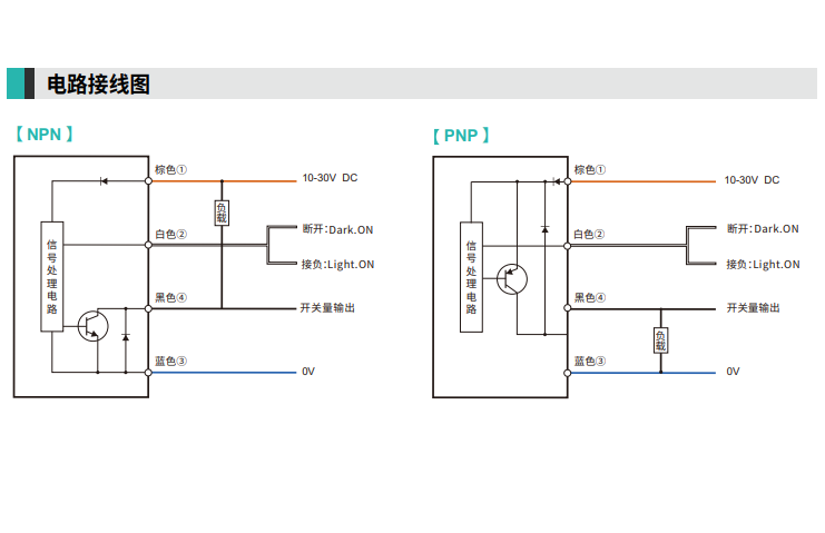
开关模式Light.on(入光动作)/Dark.on(遮光动作)可切换
响应时间<500μs
响应频率
700Hz
光源660nm红光
工作电压 DC 10~30V±10%
残余电压(压降)NPN输出:<1.5V PNP输出:<2.0V
最大负载电流100mA
消耗(空载)电流<20mA
环境照度白炽灯≤3000Lux;太阳光≤10000Lux
环境温度工作时:0C~55C;保存时:-25C~70C,无冻结
环境湿度工作时:35%-85% RH;保存时:35%~95% Rh,无凝结
保护电路极性反接保护/浪涌保护/短路保护
保护等级IP54
指示灯橙黄色
连接方式总长2米的电缆线(可定制长度)
外壳不锈钢
耐振动10~55Hz,双振幅1.0mm,X/Y/Z方向各30分钟
耐冲击300m/S2.X/Y/Z方向各3次
(注1):最大检测距离的测量环境温度为25°C,环境温度升高或降低会导致检测距离略微减小


image.png

image.png

您需要帮助与服务吗?