检测方式:背景抑制
检测距离:不同型号检测距离30~300mm可调(白色被测物) /40-260mm调(黑色被测物 /30~300mm
光斑尺寸分:可见光斑大小约1*2mm约08mm(300mm处)与光斑人眼不可见
回差范围:<20%
标准检测物体:不小于Φ2mm或不小于Φ10mm
重复精度:<5%以下
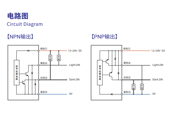
开关模式:L.on(入光动作)/D.on(遮光动作)可切换
响应时间:<500us
响应频率:1KHz
三种光源:650nm激光二极管/650nm可见红光/850nm红外光
工作电压:DC 12~24V ±10%










